По информации старших товарищей *Casper* и Doc Brown дядюшка Форд несколько сэкономил на контактах включателя омывателя лобового стекла. Суть проблемы в том, что силовая линия подается через мягкую кнопку, контакты на которой жидкие и склонны к прогоранию. Лечится заменой ручки или напайкой контакта.
Принципиальная схема работы стеклоомывателя:

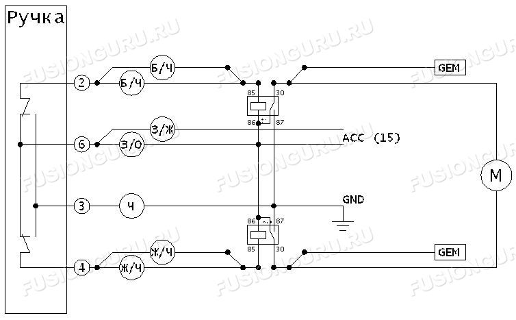
При включенном зажигании на обоих полюсах мотора висит +12. При включении переднего омывателя на один полюс приходит "земля", мотор крутится в одну сторону и гонит воду на лобовое. При включении заднего — на другой, мотор крутится в другую и гонит воду на заднее. При включении обоих (механически это НЕ заблокировано!) — все отдыхают.
Для предотвращения перегорания контактов переключателя можно врезать два пяти-контактных реле. Две реле спокойно помещаются в рулевой колонке немного ниже ручки.
Схема Каспера, которая полностью идентична для водителя штатной:

ГЕМ при появление "земли" три раза махнет соответствующими дворниками. На лобовом стекле еще после небольшой паузы подотрет сопли от пассажирского стеклоочистителя.
Мне штатный "умный" режим работы не нравится. Хочется сначала пописать сколько надо
на стекло и только потом включить дворники. (Бывает закончится/замерзнет вода и
размазывание грязи по стеклу видимости отнюдь не прибавляет.) Предлагаю следующую схему
с отдельной кнопкой включения заднего омывателя:

Алгоритм работы следующий:
Фото реализации дополнительной кнопки рядом с ручкой управления.

| Дата создания: 02.02.2011 · Просмотров: 22184 · Автор: · Добавил: fidel1970 · Обсуждение |